Главная Каталог продукции Прайс-лист Полезная информация контакты
Редукторы цилиндрические
Редукторы червячные
Мотор-редукторы
Преобразователи частоты
Устройства плавного пуска
Аксессуары для ПЧ
Энкодеры
Карта сайта

 

Приводная техника

 

Вся продукция сертифицирована. Мы будем рады видеть Вас клиентом нашей компании.

 

 

Устройства мягкого пуска серии PRS2

Устройство плавного пуска серии PRS2

 

Мощность 15- 500 кВт

PRS2 - это серия цифровых устройств плавного пуска для асинхронных электродвигателей мощностью от 15 до 500 кВт включительно. Основное назначение этих устройств – снизить ударные пиковые нагрузки на электродвигатель и питающую сеть при пуске различных механизмов. Устройство плавного пуска исключает механические повреждения движущихся частей привода и продлевает ресурс оборудования. Наличие встроенного программируемого микроконтроллера и сенсорной панели управления позволяет изменять не только время запуска и остановки электродвигателя в широком диапазоне значений, а также более 20 других параметров, позволяющих запрограммировать софтстартер, в идеальном соответствии Вашему технологическому процессу.

Устройства плавного пуска серии PRS2 с успехом выполняют следующие основные функции:

  1. Контролируемый плавный запуск электродвигателя;
  2. Контролируемая плавная остановка электродвигателя;
  3. Электронная защита электродвигателя как в процессе разгона, так и в режиме работы.

 

Особенности серии PRS2

Устройства плавного пуска серии PRS2 это серия оснащенная силовыми симисторами по всем трем фазам, что обеспечивает по настоящему плавный пуск электродвигателя и максимальное ограничение пускового тока.

 

 

Технические характеристики

 

ОСНОВНЫЕ ПАРАМЕТРЫ
Тип нагрузки
Асинхронные трехфазные двигатели с короткозамкнутым ротором
Напряжение питания
380 В (трехфазные)
Диапазон мощностей
15-500 кВт включительно
Диапазон токов
300-930 А
Режимы запуска
Режим ограничения тока, запуск плавным нарастанием напряжения, запуск толчками, Форсирование напряжения при пуске (импульсный старт).
Время разгона
1…60 с
Начальное напряжение
0…50% от номинального напряжения
Режимы остановки
Остановка свободным выбегом, контролируемое время остановки (0...60 с)
Количество запусков в час
Не более 20 запусков (на номинальную нагрузку)
Программируемый
релейный выход
Поступление команды Пуск, начало запуска, срабатывание байпаса, начало останова, окончание останова, ошибка, окончание автоперезапуска.
Защитные функции
Потеря фазы электропитания, повышенное и пониженное напряжение, перегрузка, короткое замыкание в нагрузке, электронная тепловая защита электродвигателя, перегрев радиатора, превышение количества пусков, пониженный ток, защита от перенапряжений (встроенные варисторы).
Интерфейс
встроенный интерфейс RS485
Степень защиты
IP40
Тип охлаждения
Естественное
Монтаж
навесной
Условия эксплуатации
Температура окружающей среды
0...+40 без потери мощности (+40..>60,
при 25 +70 повыш. на 1 град., ток уменьшится на 1.2%)
Окружающая влажность воздуха

≤95% (20?±5?)
Вибрационные нагрузки
Не выше 0,5g

 

 

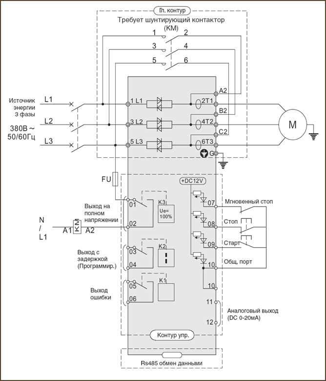
СХЕМА ПОДКЛЮЧЕНИЯ:

 

СХЕМА ПОДКЛЮЧЕНИЯ

 

 

ОПИСАНИЕ КОДОВ ДЛЯ ЗАКАЗА

 

Мощность электродвигателя
 кВт, Uпит=380 В, 3 фазы.
Номинальный ток, А
Код устройства
15
28
PRS2 015
18,5
34
PRS2 018
22
42
PRS2 022
30
54
PRS2 030
37
68
PRS2 037
45
80
PRS2 045
55
98
PRS2 055
75
128
PRS2 075
90
160
PRS2 090
110
190
PRS2 110
132
236
PRS2 132
160
290
PRS2 160
200
367
PRS2 200
250
430
PRS2 250
320
547
PRS2 320
400
725
PRS2 400
500
915
PRS2 500

 

 

ГАБАРИТНЫЕ РАЗМЕРЫ

 

ГАБАРИТНЫЕ РАЗМЕРЫ

ГАБАРИТНЫЕ РАЗМЕРЫ

Характеристики и цены

 

Серия PRS2
Модель
Ток, А
Мощность, кВт
Цена с НДС, руб
PRS2 015
28
15
8000
PRS2 018
34
18,5
8500
PRS2 022
42
22
9000
PRS2 030
54
30
10150
PRS2 037
68
37
11750
PRS2 045
80
45
13500
PRS2 055
98
55
18200
PRS2 075
128
75
23600
PRS2 090
160
90
30200
PRS2 110
190
110
34000
PRS2 132
236
132
37700
PRS2 160
290
160
44800
PRS2 200
367
200
51500
PRS2 250
430
250
59400
PRS2 320
547
320
71400
PRS2 400
725
400
82500
PRS2 500
950
500
119000

 

 

 

 

Мотор редукторы, преобразователи частоты и устройства плавного пуска отправляются транспортной компанией. По всем вопросам обращаться в офис


Мы всегда рады видеть у себя наших старых партнеров и ждем новых.

Доставка во все регионы России!