Главная Каталог продукции Прайс-лист Полезная информация контакты
Редукторы цилиндрические
Редукторы червячные
Мотор-редукторы
Преобразователи частоты
Устройства плавного пуска
Аксессуары для ПЧ
Энкодеры
Карта сайта

 

Приводная техника

 

Вся продукция сертифицирована. Мы будем рады видеть Вас клиентом нашей компании.

 

 

Мотор-редукторы цилиндрические универсальные МТС

Мотор-редукторы МТС

Мотор-редукторы МТС

НАЗНАЧЕНИЕ:

Мотор-редукторы цилиндрические универсальные МТС чешского редукторного завода «Tos znojmo»предназначены для изменения крутящих моментов и частоты вращения вала в качестве комплектующих в приводах машин, оборудования и механизмов.

Условия применения:

  • нагрузка постоянная и переменная, одного направления и реверсивная;
  • работа с периодическими остановками и длительная до 24 часов в сутки;
  • вращение валов в любую сторону;
  • атмосфера типа I и II по ГОСТ 15150-69 при запыленности воздуха не более 10 мг/м3;
  • климатические исполнения У,Т для категорий размещения 1-3 и климатические исполнения УХЛ и О для категорий размещения 4 по ГОСТ 15150-69.

Выбор мотор-редуктора

Для правильного выбора мотор-редуктора необходимо знать следующие данные: требуемый выходной крутящий момент M2, частоту вращения выходного вала n2, способ нагружения мотор-редуктора и соответствующий коэффициент эксплуатации Sm. На основе этих данных можно определить соответствующий типоразмер мотор-редуктора.

Соотношения для расчета отдельных величин

Выходной крутящий момент Mk

Крутящий момент Mk определяется требуемым нагружением мотор-редуктора. Его можно выразить как силу F2,воздействующую на на плече r2.

Mk [Нм] = F2 [Н] x r2 [м]

Коэффициент эксплуатации Sm

С целью гарантирования исправной работы мотор-редуктора в разных рабочих режимах, отличающихся в отношении типа нагрузки, условий эксплуатации, типа привода, продолжительности рабочего времени в сутки и т.п. от предполагаемого стандарта, эти влияния необходимо учесть.

Поэтому, выбирая мотор-редуктор, пользуются т.н. коэффициентом эксплуатации  Sm, который определяется произведением факторов, учитывающих отдельные условия.

Sm = S1 x S2 x S3 x S4

При подборе конкретного мотор-редуктора надо обращать внимание на то, чтобы коэффициент эксплуатации Sm был меньше сервисного фактора Sf, или следует повысить требуемый выходной крутящий момент Mk по формуле:

M2 = Mk x Sm

S1 - фактор нагрузки
1,0 нормальный разгон без толчка, незначительная ускоряемая масса (вентиляторы, шестеренные насосы, сборочные конвейеры, винтовые конвейеры, мешалки жидкостей, разливочные и упаковочные машины)
1,25 разгон со слабыми толчками, неравномерная эксплуатация, средняя ускоряемая масса (конвейерные ленты, лифты, лебедки, месилки, деревообрабатывающие, печатные и текстильные машины)
1,5 неравномерная эксплуатация, сильные удары, большая ускоряемая масса (бетономешалки, всасывающие насосы, компрессоры, молоты, прокатные станы, прицепы-тяжеловозы, гибочные и штамповочные машины, машины с переменным движением)
ТАБ.1

 

S2 - фактор непрерывности эксплуатации
S2
число включений в час
1,0
0 вплоть до 60
1,15
60 вплоть до 150
1,3
150 вплоть до 500
1,5
500 вплоть до 1000 и более

 

ТАБ.2

 

S3 - фактор времени эксплуатации
S3
число включений в сутки
0,8
0 вплоть до 4
1,0
4 вплоть до 8
1,2
8 вплоть до 16
1,3
16 вплоть до 24

 

ТАБ.3

 

S4 - фактор привода
S4
вид электродвигателя
1,0
электродвигатель без тормоза
1,15
электродвигатель с тормозом

 

ТАБ.4

 

Сервисный фактор Sf

Сервисный фактор Sf  указывает соотношение между максимальным крутящим моментом, которым можно длительно нагружать мотор-редуктор, и действующим выходным крутящим моментом, который выбранный электродвигатель способен развивать.

M2max
Sf = --------------------------- [-] 
M2

Максимальный крутящий момент M2макс определяется для коэффициента эксплуатации Sm = 1.
 

Мощность электродвигателя P1

Для определения требуемой мощности электродвигателя P1 пользуются соотношением:

M2[Нм] x n2 [об/мин] x 100
P1 = -------------------------------------- [кВт] 
9550 x КПД[%]

Часть мощности расходуется на преодоление механического сопротивления редуктора. Эту долю учитывает коэффициент полезного действия, представляющий собой отношение между мощностью на выходе Р2 и мощностью на входе Р1

P2       
КПД= ------------- x 100 [%]
P1          

Передаточное отношение i

Передаточное отношение  входных и выходных оборотов редуктора

n1
i = ---------------- [-]
n2


n1[об/мин] ... номинальное число оборотов электродвигателя
n2 [об/мин] ... выходное число оборотов редуктора

Радиальная и осевая нагрузка на вал

РИС. 1

Коробки передач с цилиндрическим зацеплением МТС оснащены выходным валом с цилиндрической шейкой снабженной шпоночным пазом. Значения допустимой радиальной и аксиальной нагрузки показаны в таблице 5. Допустимая нагрузка вала приводится для входных оборотов n1=400[об/мин].

Радиальная нагрузка Fr

Для определения этого параметра точкой приложения радиальной силы Fr считается половина длины свободного конца вала (см. рисунок.)

Расчетная Fr не должна превысить максимальную допустимую нагрузку, указанную в таблице 5.
Если радиальная сила воздействует на вал на большем расстоянии, то максимальную допустимую нагрузку необходимо уменьшить. Например , для нагружения в точке 75% длины шейки допустимая нагрузка составляет только 80% значения, указанного в таблице. Для нагружения в точке 30% длины шейки допустимая нагрузка может быть на 25% выше. Поскольку на выходной вал надет шкив, цепная звездочка, шестерня и т.п., радиальную нагрузку можно определить по следующей формуле:

M2 x k x 2000
Fr = --------------------------------  [Н]
D


M2 - выходной крутящий момент, [Нм];
D - расчетный диаметр (делительная окружность) шкива (шестерни) на выходе, [мм];
k - коэффициент нагрузки:

1,10 цепные звездочки;
1,25 цилиндрические зубчатые колеса;
1,50 шкив;

Следовательно, радиальную нагрузку вала можно уменьшить за счет увеличения диаметра шкива, поскольку это возможно. Если радиальная нагрузка останется большая, или если сила воздействует на шейку вала на большом расстоянии, то для передачи этих сил следует выбрать внешнюю посадку в подшипниках.

Осевая нагрузка Fa

В случае одновременного воздействия осевой и радиальной силы, допустимая аксиальная нагрузка вала не должна превзойти значения, указанные в таблице 5. Указанные значения представляют собой около 20% допустимой радиальной нагрузки Fr.

модель
11
21
31
41
n2[об/мин]
Fa[Н]
Fr[Н]
Fa[Н]
Fr[Н]
Fa[Н]
Fr[Н]
Fa[Н]
Fr[Н]
600
150
750
240
1200
360
1820
700
3500
450
160
830
260
1320
400
2000
770
3860
400
170
860
270
1370
410
2080
800
4010
350
180
900
280
1440
430
2180
840
4200
300
190
950
300
1510
460
2290
880
4420
250
200
1010
320
1610
480
2440
940
4690
200
210
1090
340
1730
520
2630
1010
5060
150
240
1200
380
1910
570
2890
1110
5570

Typ
02
12
22/23
32/33
42/43
52/53
62/63
n2[об/мин]
Fa[Н]
Fr[Н]
Fa[Н]
Fr[Н]
Fa[Н]
Fr[Н]
Fa[Н]
Fr[Н]
Fa[Н]
Fr[Н]
Fa[Н]
Fr[Н]
Fa[Н]
Fr[Н]
300
130
640
170
860
190
940
1170
2940
1430
3580
1930
4820
2110
8210
250
140
680
180
920
200
1000
1240
3100
1510
3780
2040
5100
2220
8680
200
150
740
200
990
220
1080
1330
3320
1620
4040
2180
5450
2380
9280
150
160
810
220
1080
240
1190
1450
3620
1760
4400
2380
5940
2590
10110
100
190
930
250
1240
270
1360
1630
4080
1990
4970
2680
6710
2930
11420
80
200
1000
270
1340
290
1460
1750
4370
2130
5320
2870
7170
3130
12210
60
220
1100
290
1470

320

1610

1900

4760

2320

5800

3130

7820

3410

13310

40

250

1260

340

1690

370

1840

2150

5380

2620

6540

3530

8830

3860

15040

20

320

1580

420

2120

460

2320

2650

6620

3220

8060

4350

10870

4750

18510

ТАБ.5

 

ЧЕРТЕЖИ

 

Вариант исполнения на лапах MTC 1

 

РИС. 2


A
AB
AH
B
BB
CA
Dk6
E
F
G
H
HA
K
M1
GA
MTC 11
125
155
60
70
98
16
24
50
8
200
70
15
11
M8
27
MTC 21
145
175
70
80
110
19
28
60
8
230
80
20
11
M10
31
MTC 31
180
220
85
100
140
24
38
70
10
285
100
25
13
M12
41
MTC 41
220
270
115
130
180
31
48
110
14
372
132
30
13
M16
51,5

 

ТАБ.6

 

Вариант исполнения на лапах MTC 2

 

РИС. 3


A
AB
AH
B
BB
CA
D
E
F
G
GA
H
HA
K
L
M1
MTC 02
110
138
27
90
117
18
14
40
5
65
16,1
71
14
9
140
M5
MTC 12
110
138
27
90
117
18
16
40
5
65
18,1
75
14
9
140
M5
MTC 22
110
138
27
110
135
18
20
40
6
65
22,5
75
14
9
155
M6
MTC 32
110
148
35
130
160
25
25
50
8
70
27,9
90
20
9
205
M10
MTC 42
135
185
50
150
185
30
30
60
8
85
32,9
115
25
14
225
M10
MTC 52
135
185
50
165
200
40
40
75
12
95
43,1
140
25
14
255
M12
MTC 62
215
270
55
260
300
40
50
100
14
115
53,8
180
35
18
310
M16
MTC 72
250
340
85
310
360
40
60
120
18
130
64,2
225
50
22
390
M20

 

ТАБ.7

 

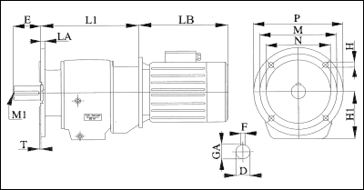
Вариант исполнения с фланцем MTC 2

 

РИС. 4


D
E
F
GA
H1
L
M1
M
N
P
S
T
LA
MTC 02
14
40
5
16,1
71
140
M5
115
95
140
10
3
8
MTC 12
16
40
5
18,1
75
140
M5
130
110
160
10
3,5
10
MTC 22
20
40
6
22,5
75
155
M6
130
110
160
10
3,5
10
MTC 32
25
50
8
27,9
90
205
M10
130
110
160
10
3,5
10
MTC 42
30
60
8
32,9
115
225
M10
165
130
200
12
3,5
10
MTC 52
40
75
12
43,1
140
255
M12
215
180
200
15
4
12
MTC 62
50
100
14
53,8
180
310
M16
265
230
300
15
4
20
MTC 72
60
120
18
64,2
225
395
M20
300
250
350
17
5
20

 

ТАБ.8

 

Вариант исполнения на лапах MTC 3

 

РИС. 5


A
AB
AH
B
BB
CA
D
E
F
G
GA
H
HA
K
L
M1
MTC 23
110

138

27

110

135

18

20

40

6

65

22,5

75

14

9

175

M6

MTC 33
110

148

35

130

160

25

25

50

8

70

27,9

90

20

9

228

M10

MTC 43
135

185

50

150

185

30

30

60

8

85

32,9

115

25

14

246

M10

MTC 53
135

185

50

165

200

40

40

75

12

95

43,1

140

25

14

287

M12

MTC 63
215

270

55

260

300

40

50

100

14

115

53,8

180

35

18

310

M16

MTC 73
250

340

85

310

360

40

60

120

18

130

64,2

225

50

22

395

M20

 

ТАБ.9

 

Вариант исполнения с фланцем MTC 3

 

РИС. 6


A
AB
AH
B
BB
CA
D
E
F
G
GA
H
HA
K
L
M1
MTC 23
110
138
27
110
135
18
20
40
6
65
22,5
75
14
9
175
M6
MTC 33
110
148
35
130
160
25
25
50
8
70
27,9
90
20
9
228
M10
MTC 43
135
185
50
150
185
30
30
60
8
85
32,9
115
25
14
246
M10
MTC 53
135
185
50
165
200
40
40
75
12
95
43,1
140
25
14
287
M12
MTC 63
215
270
55
260
300
40
50
100
14
115
53,8
180
35
18
310
M16
MTC 73
250
340
85
310
360
40
60
120
18
130
64,2
225
50
22
395
M20

 

ТАБ.10

 

ТЕХНИЧЕСКИЕ ХАРАКТЕРИСТИКИ

MTC
Передаточное отношение

Частота вращения выходного вала
Макс. крутящий момент на выходе
Макс. мощность  на входе
Крутящий момент на выходе
    Электродвигатель
n2
M2max
P1
M2
мощность
тип
об/мин
Н*м
кВт
Н*м
кВт
02
4,4
320
33
1,153
11
0,37
АИР63В4
6,2
228
36
0,894
15
0,37
АИР63В4
8,1
174
38
0,720
20
0,37
АИР63В4
10,4
135
36
0,531
25
0,37
АИР63В4
12,5
112
38
0,463
30
0,37
АИР63В4
14,9
94
38
0,390
36
0,37
АИР63В4
19,7
71
40
0,309
32
0,25
АИР63А4
11
2,1
660
60
4,304
10
0,75
АИР71В4
2,4
586
62
3,943
12
0,75
АИР71В4
2,5
550
63
3,764
13
0,75
АИР71В4
2,7
516
64
3,586
13
0,75
АИР71В4
3,1
451
67
3,281
17
0,75
АИР71В4
3,6
390
69
2,924
18
0,75
АИР71В4
3,9
357
47
1,825
19
0,75
АИР71В4
4,6
303
49
1,613
25
0,75
АИР71В4
5,2
269
50
1,459
26
0,75
АИР71В4
12
4,2
336
40
1,465
10
0,37
АИР63В4
5,1
277
42
1,269
12
0,37
АИР63В4
6,1
228
42
1,046
15
0,37
АИР63В4
7,6
185
42
0,848
18
0,37
АИР63В4
8,2
172
42
0,786
20
0,37
АИР63В4
10,1
140
46
0,698
24
0,37
АИР63В4
11,7
119
46
0,599
28
0,37
АИР63В4
13,9
101
46
0,506
34
0,37
АИР63В4
16,4
85
46
0,427
40
0,37
АИР63В4
17,8
79
48
0,413
43
0,37
АИР63В4
21,3
66
46
0,330
35
0,25
АИР63А4
23,8
59
48
0,309
39
0,25
АИР63А4
26,0
54
51
0,299
43
0,25
АИР63А4
31,8
44
51
0,245
51
0,25
АИР63А4
21
2,1
670
193
14,036
21
1,5
АИР80В4
2,2
626
197
13,386
22
1,5
АИР80В4
2,6
543
205
12,088
26
1,5
АИР80В4
2,8
504
209
11,441
27
1,5
АИР80В4
3,3
431
218
10,200
32
1,5
АИР80В4
3,5
396
222
9,556
23
1,5
АИР80В4
4,1
345
172
6,449
40
1,5
АИР80В4
4,4
322
174
6,079
43
1,5
АИР80В4
5,1
276
179
5,372
50
1,5
АИР80В4
22
4,2
336
62
2,272
41
1,5
АИР80В4
5,1
276
65
1,963
50
1,5
АИР80В4
6,1
228
61
1,519
60
1,5
АИР80В4
7,6
185
61
1,231
55
1,1
АИР80А4
8,2
172
61
1,142
60
1,1
АИР80А4
10,1
140
70
1,062
70
1,1
АИР80А4
11,7
119
70
0,911
58
0,75
АИР71В4
13,9
101
70
0,770
68
0,75
АИР71В4
16,4
85
75
0,697
59
0,55
АИР71А4
17,8
79
74
0,636
64
0,55
АИР71А4
21,3
66
75
0,538
75
0,55
АИР71А4
23,8
59
74
0,476
58
0,37
АИР63В4
26,0
54
78
0,458
63
0,37
АИР63В4
31,8
44
78
0,375
77
0,37
АИР63В4
23
37,9
37
68
0,286
59
0,25
АИР63А4
44,5
31
70
0,251
70
0,25
АИР63А4
48,5
29
72
0,237
55
0,18
АИР56В4
53,1
26
73
0,219
60
0,18
АИР56В4
68,9
20
64
0,148
52
0,12
АИР56А4
79,5
18
67
0,134
60
0,12
АИР56А4
92,7
15
69
0,119
69
0,12
АИР56А4
109,6
13
72
0,105
62
0,09
АИР50В4
132,2
11
74
0,089
74
0,09
АИР50В4
31
2,0
700
276
20,605
54
4,0
АИР100L4
2,3
614
287
19,142
60
4,0
АИР100L4
2,6
546
297
17,608
67
4,0
АИР100L4
2,9
483
307
16,071
77
4,0
АИР100L4
3,2
444
317
15,304
83
4,0
АИР100L4
3,6
394
322
13,770
94
4,0
АИР100L4
4,1
350
327
12,239
107
4,0
АИР100L4
4,5
313
337
11,473
117
4,0
АИР100L4
4,6
308
257
8,590
120
4,0
АИР100L4
5,2
271
263
7,740
136
4,0
АИР100L4
5,5
253
266
7,316
145
4,0
АИР100L4
32
4,2
335
102
3,725
41
1,5
АИР80В4
4,9
285
120
3,724
49
1,5
АИР80В4
5,9
239
143
3,730
58
1,5
АИР80В4
7,1
200
158
3,409
70
1,5
АИР80В4
8,4
167
150
2,727
83
1,5
АИР80В4
10,2
138
158
2,376
87
1,5
АИР80В4
12,3
114
140
1,745
120
1,5
АИР80В4
14,8
95
158
1,629
145
1,5
АИР80В4
17,4
80
158
1,386
125
1,1
АИР80А4
20,7
68
111
0,819
102
0,75
АИР71В4
22,5
62
111
0,753
111
0,75
АИР71В4
26,4
53
115
0,664
95
0,55
АИР71А4
31,5
44
116
0,562
114
0,55
АИР71А4
38,3
37
119
0,475
93
0,37
АИР63В4
33
43,7
32
101
0,368
101
0,37
АИР63В4
51,4
27
119
0,369
119
0,37
АИР63В4
61,2
23
142
0,370
142
0,37
АИР63В4
73,9
19
158
0,340
116
0,25
АИР63А4
82,5
17
108
0,209
93
0,18
АИР56В4
95,6
15
111
0,185
110
0,18
АИР56В4
113,4
12
111
0,156
85
0,12
АИР56А4
133,3
10
115
0,137
101
0,12
АИР56А4
146,4
9,5
115
0,125
114
0,12
АИР56А4
175,9
8,0
115
0,104
133
0,12
АИР56А4
210,9
6,6
118
0,089
118
0,09
АИР56В4
233,2
6,0
118
0,081
89
0,06
АИР50А4
41
2,1
700
660
48,184
75
5,5
АИР112М4
2,4
592
686
44,129
85
5,5
АИР112М4
2,5
555
699
42,115
91
5,5
АИР112М4
2,7
519
713
40,158
98
5,5
АИР112М4
3,1
450
739
36,124
113
5,5
АИР112М4
3,7
382
516
21,399
133
5,5
АИР112М4
4,1
342
528
19,627
148
5,5
АИР112М4
4,6
304
540
17,852
166
5,5
АИР112М4
4,9
286
545
16,931
177
5,5
АИР112М4
5,6
250
557
15,158
202
5,5
АИР112М4
6,2
227
651
16,053
223
5,5
АИР112М4
6,6
213
657
15,166
238
5,5
АИР112М4
42
4,1
339
183
6,757
108
4,0
АИР100L4
5,0
278
196
5,935
132
4,0
АИР100L4
6,1
231
236
5,948
159
4,0
АИР100L4
7,4
189
219
4,505
195
4,0
АИР100L4
8,8
158
248
4,286
231
4,0
АИР100L4
10,6
132
261
3,754
209
3,0
АИР100S4
12,0
116
242
3,073
242
3,0
АИР100S4
14,3
98
248
2,658
205
2,2
АИР90L4
17,1
82
261
2,328
247
2,2
АИР90L4
20,3
69
244
1,836
199
1,5
АИР80В4
24,1
58
269
1,704
237
1,5
АИР80В4
27,0
52
246
1,389
195
1,1
АИР80А4
32,0
44
254
1,213
230
1,1
АИР80А4
37,4
37
197
0,804
184
0,75
АИР71В4
41,1
34
195
0,724
148
0,55
АИР71А4
48,0
29
199
0,633
173
0,55
АИР71А4
43
45,3
31
246
0,866
213
0,75
АИР71В4
53,1
26
278
0,834
250
0,75
АИР71В4
63,3
22
287
0,722
219
0,55
АИР71А4
69,6
20
287
0,657
240
0,55
АИР71А4
83,6
17
323
0,616
288
0,55
АИР71А4
93,5
15
331
0,564
323
0,55
АИР71А4
112,9
12
266
0,375
262
0,37
АИР63В4
131,8
10,5
266
0,322
207
0,25
АИР63А4
152,7
9,0
266
0,278
239
0,25
АИР63А4
183,1
7,5
266
0,231
207
0,18
АИР56В4
213,0
6,5
191
0,143
159
0,12
АИР56А4
249,0
5,5
189
0,121
187
0,12
АИР56А4
269,6
5,0
191
0,113
200
0,12
АИР56А4
52
4,1
340
249
9,242
108
4,0
АИР100L4
5,2
268
271
7,913
137
4,0
АИР100L4
6,1
230
315
7,908
160
4,0
АИР100L4
7,5
188
301
6,161
195
4,0
АИР100L4
8,7
161
350
6,158
227
4,0
АИР100L4
10,1
139
363
5,499
264
4,0
АИР100L4
11,9
118
376
4,840
311
4,0
АИР100L4
15,3
92
434
4,345
400
4,0
АИР100L4
17,6
80
418
3,629
346
3,0
АИР100S4
20,9
67
434
3,175
410
3,0
АИР100S4
23,9
59
475
3,041
470
3,0
АИР100S4
26,1
54
381
2,232
376
2,2
АИР90L4
32,1
44
381
1,815
315
1,5
АИР80В4
36,5
38
381
1,595
363
1,5
АИР80В4
41,1
34
381
1,415
296
1,1
АИР80А4
48,2
29
259
0,821
347
1,1
АИР80А4
53
43,4
32
467
1,715
408
1,5
АИР80В4
50,1
28
479
1,522
472
1,5
АИР80В4
60,9
23
498
1,303
420
1,1
АИР80А4
72,0
19
498
1,102
497
1,1
АИР80А4
79,4
17
498
1,000
374
0,75
АИР71В4
96,6
14
498
0,821
455
0,75
АИР71В4
120,6
12
479
0,633
416
0,55
АИР71А4
128,7
11
479
0,593
444
0,55
АИР71А4
154,2
9,0
498
0,515
358
0,37
АИР63В4
170,1
8,0
507
0,475
395
0,37
АИР63В4
207,8
6,5
265
0,203
235
0,18
АИР56В4
233,6
6,0
270
0,184
264
0,18
АИР56В4
263,4
5,5
272
0,165
198
0,12
АИР56А4
62
4,5
312
601
21,364
155
5,5
АИР112М4
5,3
262
633
18,901
184
5,5
АИР112М4
6,1
231
655
17,258
209
5,5
АИР112М4
7,6
185
739
15,614
260
5,5
АИР112М4
8,8
159
928
16,826
303
5,5
АИР112М4
10,0
140
928
14,733
343
5,5
АИР112М4
12,5
112
928
11,833
431
5,5
АИР112М4
14,7
95
928
10,045
508
5,5
АИР112М4
17,9
78
830
7,396
617
5,5
АИР112М4
20,9
67
848
6,471
721
5,5
АИР112М4
24,2
58
806
5,298
609
4,0
АИР100L4
26,1
54
806
4,920
655
4,0
АИР100L4
28,7
49
822
4,568
720
4,0
АИР100L4
34,4
41
822
3,807
648
3,0
АИР100S4
41,3
34
681
2,624
570
2,2
АИР90L4
63
32,5
43
511
2,508
306
1,5
АИР80В4
38,7
36
539
2,218
365
1,5
АИР80В4
43,9
32
558
2,025
413
1,5
АИР80В4
54,7
26
629
1,833
515
1,5
АИР80В4
63,7
22
810
2,025
600
1,5
АИР80В4
72,8
19
837
1,833
685
1,5
АИР80В4
90,6
15
878
1,543
854
1,5
АИР80В4
106,8
13
905
1,350
737
1,1
АИР80А4
129,7
11
706
0,868
610
0,75
АИР71В4
151,4
9,0
722
0,760
713
0,75
АИР71В4
175,7
8,0
837
0,760
826
0,75
АИР71В4
189,2
7,5
837
0,705
653
0,55
АИР71А4
207,8
6,5
905
0,694
717
0,55
АИР71А4
249,4
5,5
767
0,490
579
0,37
АИР63В4
299,7
4,5
764
0,406
695
0,37
АИР63В4
72
6,3
223
1134
28,5
438
11,0
АИР132М4
7,3
193
1176
25,5
507
11,0
АИР132М4
9,2
153
1308
22,5
640
11,0
АИР132М4
10,9
128
1344
19,5
758
11,0
АИР132М4
13,1
107
1366
16,5
910
11,0
АИР132М4
15,6
90
1479
15
1085
11,0
АИР132М4
19,1
73
1811
15
1328
11,0
АИР132М4
20,6
68
1591
12,1
1446
11,0
АИР132М4
73
27,7
51
1707
9,75
963
5,5
АИР112М4
31,9
45
1814
9
1109
5,5
АИР112М4
40,3
35
1821
7,15
1400
5,5
АИР112М4
47,9
29
1832
6,05
1514
5,5
АИР112М4
57,7
24
1894
5,2
1457
4,0
АИР100L4
60,4
23
1985
5,2
1527
4,0
АИР100L4
68,5
21
2078
4,8
1732
4,0
АИР100L4
69,8
20
1942
4,4
1765
4,0
АИР100L4
83,9
17
2068
3,9
1590
3,0
АИР100S4
88,1
16
2005
3,6
1670
3,0
АИР100S4
91,3
15
2252
3,9
1732
3,0
АИР100S4
104,8
13
2187
3,3
1988
3,0
АИР100S4
112,6
12
2563
3,6
2136
3,0
АИР100S4
126,0
11
2102
2,64
1460
2,2
АИР90L4
136,5
10
2278
2,64
1898
2,2
АИР90L4
149,7
9,5
2290
2,42
2082
2,2
АИР90L4
183,3
7,5
2259
1,95
1738
1,5
АИР80В4
199,6
7,0
2272
1,8
1893
1,5
АИР80В4
246,0
5,5
2333
1,5
2333
1,5
АИР80В4
298,4
4,5
2075
1,1
2075
1,1
АИР80А4

 

ТАБ.11

 

Смазка мотор-редукторов

Одноступенчатые
   Одноступенчатые
модель и типоразмер
вариант исполнения
МТС 11
МТС 21
МТС 31
МТС 41
Объем масла [л]
B (горизонтальное) , V (вертикальное)
0,3
0,4
0,5
1,1

 

ТАБ.12

 

Двухступенчатые
модель и типоразмер
вариант исполнения
МТС 02
МТС 12
МТС 22
МТС 32
МТС 42
МТС 52
МТС 62
Объем масла [л]
B (горизонтальное) , V (вертикальное)
0,23
0,28
0,30
0,50
1,00
1,30
2,50

 

ТАБ.13

 

Трехступенчатые
модель и типоразмер
вариант исполнения
МТС 23
МТС 33
МТС 43
МТС 53
МТС63
Объем масла [л]
B (горизонтальное)
0,45
0,50
1,00
1,50
2,50
Объем масла [л]
V (вертикальное)
0,50
1,10
1,80
2,15
2,80

 

ТАБ.14

 

Типовое обозначение

Типоразмер: определяется обозначением 0 - 6 согласно характеристическим значениям в таблице 15

размер
одноступенчатый
двухступенчатый
трехступенчатый
выходной вал
обозначение
выходной вал
обозначение
выходной вал
обозначение
вала
высота оси
вала
высота оси
вала
высота оси
0 - - - 14 71 0 2 - - -
1 24 70 1 1 16 75 1 2 - - -
2 28 80 2 1 20 75 2 2 20 75 2 3
3 38 100 3 1 25 90 3 2 25 90 3 3
4 48 132 4 1 30 115 4 2 30 115 4 3
5 - - - 40 140 5 2 40 140 5 3
6 - - - 50 180 6 2 50 180 6 3
7 - - - 60 225 7 2 60 225 7 3

 

ТАБ.15

Число ступеней :

  • одноступенчатая передача;
  • двухступенчатая передача;
  • трехступенчатая передача;

 

РИС. 7

Варианты исполнения мотор-редуктора: Форма и компоновка картера позволяет применение мотор-редуктора в разных рабочих положениях, показанных в таблице 16.

1 4 7
2 5 8
3 6 9

 

ТАБ.16

  1. вариант исполнения на лапах, ось горизонтальная, лапы внизу (B3);
  2. вариант исполнения на лапах, ось горизонтальная, лапы вверху (B8);
  3. фланцевый вариант исполнения, ось горизонтальная (B5);
  4. вариант исполнения на лапах, ось горизонтальная, лапы налево - вид от двигателя (B6);
  5. вариант исполнения на лапах, ось вертикальная, двигатель над редуктором – выходным валом вниз (V5);
  6. вариант исполнения на лапах, ось вертикальная, двигатель под редуктором – выходным валом вверх (V1);
  7. вариант исполнения на лапах, ось горизонтальная, лапы направо - вид от двигателя (B7);
  8. фланцевый вариант исполнения, ось вертикальная - двигатель над редуктором – выходным валом вниз (V6);
  9. вариант исполнения с фланцем, ось вертикальная - двигатель под редуктором – выходным валом вверх (V3);

 

ПРИМЕР УСЛОВНОГО ОБОЗНАЧЕНИЯ В ЗАКАЗЕ:

Редуктор MTC 42-32,0-44-В3-1,1, что означает:

  • MTC – мотор-редуктор цилиндрический;
  • 4 – типоразмер мотор-редуктора;
  • 2 – количество ступеней;
  • 32,0 – передаточное отношение;
  • 44 – частота вращения выходного вала, об/мин;
  • В3 – вариант исполнения на лапах;
  • 1,1 – мощность комплектующего электродвигателя.

 

Приводная техника (мотор-редукторы, преобразователи частоты и устройства плавного пуска) отправляется покупателю транспортной компанией. По всем вопросам обращаться в офис.


Мы всегда рады видеть у себя наших старых партнеров и ждем новых.

Доставка во все регионы России!